Home › Unlabelled ›
Ktm 50 Engine Diagram / Ktm 450 Sx Atv Wiring Diagram Free Engine Image For 2013 50 Mini Specs Paratamoto - These original morini franco engines are no longer in production and most spare parts for these engines are no longer available.
Ktm 50 Engine Diagram / Ktm 450 Sx Atv Wiring Diagram Free Engine Image For 2013 50 Mini Specs Paratamoto - These original morini franco engines are no longer in production and most spare parts for these engines are no longer available.. An oil filter must be replaced every 6000. Does ktm bench ecu programmer have bench mode pdf user manual? It shows whether the installation has been appropriately designed and implemented while confirming. The stock engine was swapped out for another engine. 2010 ktm 50 sx mini owner's manual.pdf.
Apply jb weld or any metal epoxy to threads of bolt. Wrg 3714 2014 ktm 50cc engine diagram. At the same time, a 350 cm3 gasoline and electric version of the freeride comes out. Ktm bench wiring diagram (screenshoot from the above mega link) what is the difference betwwen obdstar ms80 and ms50. Appendix with troubleshooting, general lubrication & conversion tables.
Canada Sticks It To The Two Stroke America At The Same Time Motocross Action Magazine from motocrossactionmag.com So i just need help figuring out what engine is in my bike. 2010 ktm 50 sx mini owner's manual.pdf. Page 3 ktm accepts no liability for delivery options, deviations from illustrations and descriptions. Yes, and contains the ecu wiring diagram as well. Free download ktm bench ecu wiring diagram (in images) View the manual for the ktm 50 sx (2018) here, for free. Unfollow ktm 50 engine parts to stop getting updates on your ebay feed. This manual comes under the category do you have a question about the ktm 50 sx (2018) or do you need help?
View the manual for the ktm 50 sx (2018) here, for free.
Let's… how long do brake pads last on a toyota prius. The first day of quarantine, i taught josh how to do a mock build of his ktm 50sx engine. Ktm 50 service repair manual pdf summary of contents for ktm 50 sx pro junior lc page 2: Appendix with troubleshooting, general lubrication & conversion tables. The 2014 ktm 50cc engine diagram pictures are also helpful in making repairs. The layout facilitates communication between electrical engineers designing electrical circuits and implementing them. Adobe acrobat document 1.3 mb. Unfollow ktm 50 engine parts to stop getting updates on your ebay feed. Yes, and contains the ecu wiring diagram as well. Does ktm bench ecu programmer have bench mode pdf user manual? Ktm bench wiring diagram (screenshoot from the above mega link) what is the difference betwwen obdstar ms80 and ms50. 50 sx factory edition 2021. This manual comes under the category do you have a question about the ktm 50 sx (2018) or do you need help?
Wrg 3714 2014 ktm 50cc engine diagram. 93 how does a 50cc engine work. Adobe acrobat document 1.3 mb. Pw 50 wiring diagram dbw dirtbikeworld net members forums. Ktm 50 sx 50 sx junior 50 sx mini ktm sx exc service manual:
Home Page Eurotek Ktm Motorcycle Parts from www.eurotekuk.com How often should i replace the oil filter on my ktm engine? Also see for 50 sx. Let's… how long do brake pads last on a toyota prius. 2010 ktm 50 sx mini owner's manual.pdf. The first day of quarantine, i taught josh how to do a mock build of his ktm 50sx engine. 50 sx factory edition 2021. Ktm 250 engine diagram data wiring diagrams 2005 exc 525 racing videos. Cobra 50 cobra 50 engine cobra 65 cobra 65 chassis cobra 65 control cobra 65 engine dealer dist3 distributor engine 250 gasgas mc 450 gasgas mc 50 gasgas mc 65 gasgas mc 85 gift card green honda hose husqvarna husqvarna 50.
An oil filter must be replaced every 6000.
2010 ktm 50 sx mini owner's manual.pdf. The layout facilitates communication between electrical engineers designing electrical circuits and implementing them. Refine your search for ktm 50 engine parts. It shows whether the installation has been appropriately designed and implemented while confirming. Appendix with troubleshooting, general lubrication & conversion tables. How often should i replace the oil filter on my ktm engine? Does ktm bench ecu programmer have bench mode pdf user manual? The first day of quarantine, i taught josh how to do a mock build of his ktm 50sx engine. Adobe acrobat document 1.3 mb. View the manual for the ktm 50 sx (2018) here, for free. At the same time, a 350 cm3 gasoline and electric version of the freeride comes out. Page 3 ktm accepts no liability for delivery options, deviations from illustrations and descriptions. Cobra 50 cobra 50 engine cobra 65 cobra 65 chassis cobra 65 control cobra 65 engine dealer dist3 distributor engine 250 gasgas mc 450 gasgas mc 50 gasgas mc 65 gasgas mc 85 gift card green honda hose husqvarna husqvarna 50.
Ktm 50 sx repair manual pdf download | manualslib summary of contents for ktm 50 sx page 1 repair manual 2009 50 sx 50 sx junior 50 sx mini article no. 1 in the engine keeps the cooling liquid in circulation. Free download ktm bench ecu wiring diagram (in images) Gy6 50cc engine diagram introduction this particular pdf file talk about the topic of gy6 50cc engine diagram coupled with the whole set of accommodating tips plus more 50cc yamaha wiring diagram wiring diagram. 93 how does a 50cc engine work.
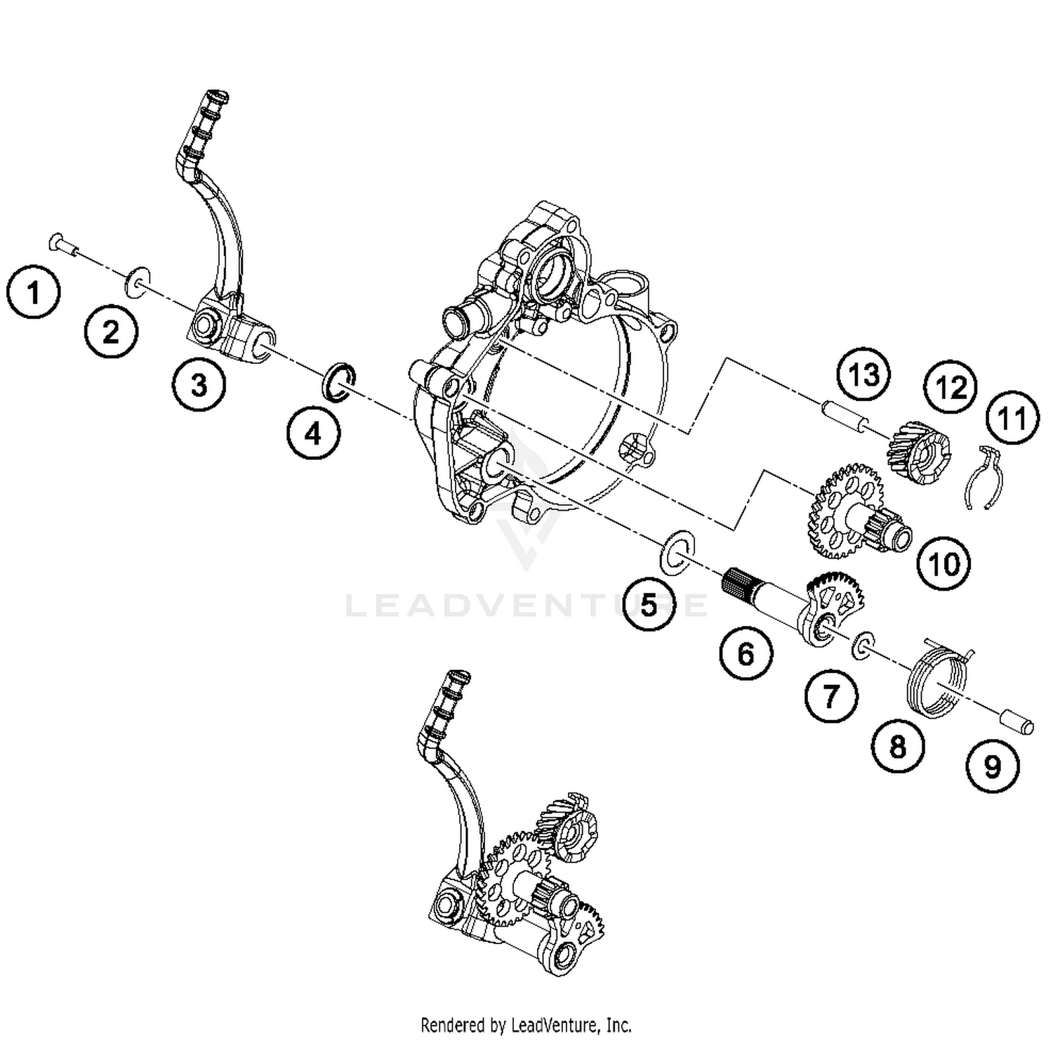
2000 Ktm 50 Sx Jr Sr Adventure Chassis Engine Parts List Diagram Manual Lot Ebay from i.ebayimg.com The stock engine was swapped out for another engine. How often should i replace the oil filter on my ktm engine? Adobe acrobat document 1.3 mb. Ktm 50 sx 50 sx junior 50 sx mini ktm sx exc service manual: It shows whether the installation has been appropriately designed and implemented while confirming. Let's… how long do brake pads last on a toyota prius. View the manual for the ktm 50 sx (2018) here, for free. Refine your search for ktm 50 engine parts.
You'll receive email and feed alerts when new items arrive.
You'll receive email and feed alerts when new items arrive. Let's… how long do brake pads last on a toyota prius. 50 sx factory edition 2021. Free download ktm bench ecu wiring diagram (in images) Page 3 ktm accepts no liability for delivery options, deviations from illustrations and descriptions. Does ktm bench ecu programmer have bench mode pdf user manual? Appendix with troubleshooting, general lubrication & conversion tables. The layout facilitates communication between electrical engineers designing electrical circuits and implementing them. This manual comes under the category do you have a question about the ktm 50 sx (2018) or do you need help? Mb ktm exc sc wiring diagram: Ktm 250 engine diagram data wiring diagrams 2005 exc 525 racing videos. Unfollow ktm 50 engine parts to stop getting updates on your ebay feed. Pw 50 wiring diagram dbw dirtbikeworld net members forums.